JDZ3-1電壓互感器簡介
本型號電壓互感器是一款全封閉式澆注電壓互感器,屬于JDZ1-1電壓互感器、JDZ2-1電壓互感器的一款改進型。供測量電壓、電能和功率以及繼電保護,自動裝置用。
JDZ3-1電壓互感器技術參數
產品性能符合標準GB1207和IEC60044-2
額定頻率50Hz或60Hz
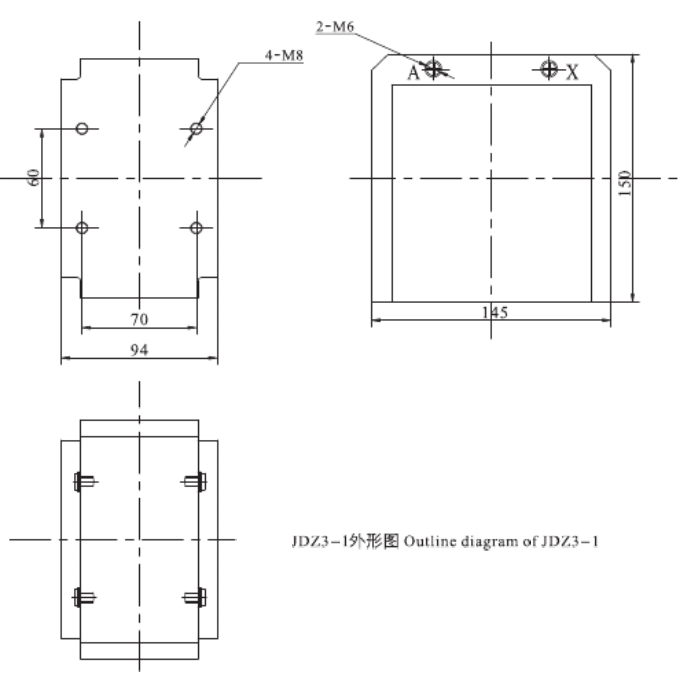
JDZ3-1電壓互感器型號
JDZ3-1電壓互感器變比
| 型號 | 額定電壓比(V) | 額定輸出(VA) | 準確級 | 極限輸出(VA) |
| JDZ3-1 | 380/100 | 5 | 1級 | 30 |
| 380-660/100 | ||||
| 660/100 | ||||
| 660-1140/100 | ||||
| 1140/100 |
JDZ3-1電壓互感器結構特點
電壓互感器的基本結構和變壓器很相似,它也有兩個繞組,一個叫一次繞組,一個叫二次繞組。兩個繞組都裝在或繞在鐵心上。兩個繞組之間以及繞組與鐵心之間都有絕緣,使兩個繞組之間以及繞組與鐵心之間都有電氣隔離。電壓互感器在運行時,一次繞組N1并聯接在線路上,二次繞組N2并聯接儀表或繼電器。因此在測量高壓線路上的電壓時,盡管一次電壓很高,但二次卻是低壓的,可以確保操作人員和儀表的安全。
JDZ3-1電壓互感器接線方式
(1)單項式接線,可以用于測量35kV及以下中性點不直接接地系統的線電壓或110kV以上中性點直接接地系統的相對地電壓。
(2)V/V接線是將兩臺全絕緣單相電壓互感器的高低壓繞組分別接于相與相之間構成不完全三角形。這種方法常用語中性點不接地或經消弧線圈接地的35kV及以下的高壓三相系統中,特別是10kV的三相系統中。
(3)用三臺單相三繞組電壓互感器構成YN,yn,d0或YN,y,d0的接線形式,廣泛應用于3~220KV系統中,其二次繞組用于測量相間電壓和相對地電壓,輔助二次繞組接成開口三角形,供接入交流電網絕緣監視儀表和繼電器用。用一臺三相五柱式電壓互感器代替上述三個單相三繞組電壓互感器構成的接線,除鐵芯外,其形式與圖3基本相同,一般只用于3~15KV系統。
(4)三相三繞組五柱式電壓互感器,其一次繞組和主二次繞組接成星形,并且中性點接地,輔助二次繞組接成開口三角形。故此種電壓互感器可以測量線電壓和相對地電壓,輔助二次繞組可以介入交流電網絕緣監視用的繼電器和信號指示器。
JDZ3-1電壓互感器工作原理
其工作原理與變壓器相同,基本結構也是鐵心和原、副繞組。特點是容量很小且比較恒定,正常運行時接近于空載狀態。電壓互感器本身的阻抗很小,一旦副邊發生短路,電流將急劇增長而燒毀線圈。為此,電壓互感器的原邊接有熔斷器,副邊可靠接地,以免原、副邊絕緣損毀時,副邊出現對地高電位而造成人身和設備事故。
測量電壓互感器一般都做成單相雙線圈結構,其原邊電壓為被測電壓(如電力系統的線電壓),可以單相使用,也可以用兩臺接成V-V形作三相使用。實驗室用的電壓互感器往往是原邊多抽頭的,以適應測量不同電壓的需要。供保護接地用電壓互感器還帶有一個第三線圈,稱三線圈電壓互感器。三相的第三線圈接成開口三角形,開口三角形的兩引出端與接地保護繼電器的電壓線圈聯接。



打印
JDZW2-3電壓互感器
JDZXW2-3RG電壓互感器
JDZ10-6電壓互感器
JDZX11-3A電壓互感器
JDZW2-10電壓互感器
JDZX16-6Q電壓互感器
JDZX9-6G電壓互感器
JDZXW-10G電壓互感器 